



Le module sanitaire Geberit Monolith (réf. 131.021.SI.5) est une solution sophistiquée, fonctionnelle et esthétique pour l'installation de toilettes suspendues. Conçu avec un panneau frontal en verre de haute qualité et des côtés en aluminium brossé, il combine un design moderne avec une technologie avancée pour s'adapter aussi bien aux projets de nouvelles constructions qu'aux rénovations.
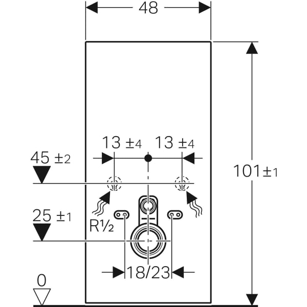
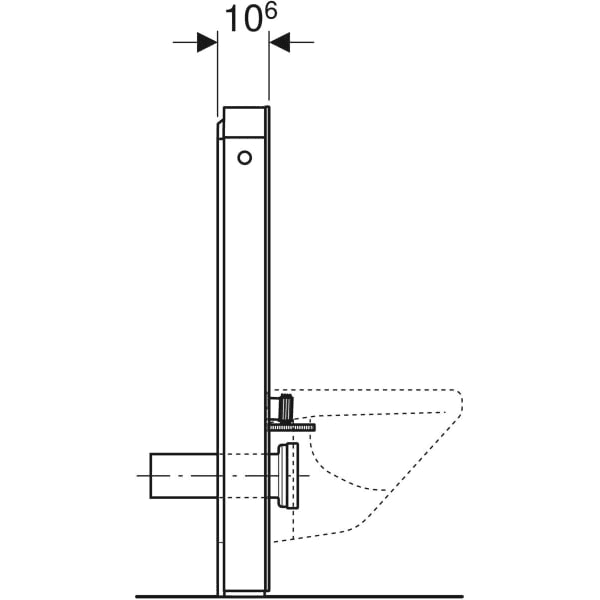
Ce modèle de 101 cm de hauteur est conçu pour être utilisé avec des toilettes suspendues, y compris les modèles avec fonction bidet comme le Geberit AquaClean. Il est idéal pour les installations où l'évacuation se trouve dans le mur à une hauteur supérieure à 23 cm, permettant le remplacement des toilettes avec réservoir apparent bas sans nécessiter de gros travaux de maçonnerie.
Le système est autoportant et peut être monté directement sur le sol fini et devant des murs légers ou des murs en dur. La hauteur de fixation de la cuvette en céramique est réglable (35 ± 1 cm) et la structure permet une compensation des tolérances jusqu'à 7 cm, facilitant son intégration dans des espaces aux dimensions non standard.
La chasse d'eau intégrée est entièrement isolée contre la condensation, garantissant un fonctionnement silencieux et sans gouttes. Elle intègre un système de double chasse de 6/3 litres, avec possibilité d'ajuster le volume total à 4,5 ou 6 litres, tout en maintenant une chasse partielle de 3 litres. Ces caractéristiques permettent une utilisation responsable de l'eau, conforme aux normes actuelles de durabilité.
Le module inclut une connexion d'alimentation inférieure, mais permet également une entrée latérale grâce à des accessoires optionnels. Grâce à son design fonctionnel, toutes les connexions, y compris les composants d'alimentation et d'évacuation, sont dissimulées, offrant un aspect propre et élégant.
Le module sanitaire Geberit Monolith combine design contemporain, facilité d'installation et fonctionnalité avancée. Son esthétique avec panneau frontal en verre et ses prestations de haut niveau en font le choix parfait pour ceux qui souhaitent rénover leur salle de bain avec style, technologie et efficacité.